文:汪進進 | 字數:3337 | 閱讀時間:8分鐘
標準的誤讀
車企朋友們對接地檢測有一種“執念”。我不知道這“執念”源自哪里。車企朋友們喜歡在充電樁的SOR上寫明,要有“接地檢測功能”。2018年我成功說服了某著名車企放棄在充電樁里面增加接地檢測電路,但是,2019年我又失敗了,因為我很想和那家車企合作,而他代表了這家車企在充電樁方面的“權威”。他的意志力比我強。2021年我又成功了一次……… 在說服車企專家們放棄接地檢測電路這方面,成功和失敗交織。
存在即合理。我反思這個現象,一直試圖搞明白為什么。可能的一種解釋是車企的專家們很多是機械和車輛工程專業出身,對電路、電力系統不懂,但是對標準充滿了敬畏。
我有時候并不怕得罪車企權威,以大無畏的勇氣對車企專家們強調:技術是技術,產品是產品,標準是標準。標準的形成是一個很復雜的過程產物。
即使有時候我們的說服工作失敗了,最終還是不得不在充電樁里面加上了可惡的接地檢測電路,但是,事情在悄悄發生變化。車企專家們同意:在軟件的判斷上,即使識別到接地檢測失敗也不停止充電,只發出告警信息,充電流程仍然繼續。更早時候,車企專家們要求,軟件上判斷接地檢測失敗就立即停止充電。
車企的“執念”在充電樁行業的小圈子里形成了氛圍,并對我的同事產生了影響。我有一位同事在2022年開始做充電樁成品,這是他第一次做充電樁成品,他很認真,他于是也有“執念”,一定要在充電樁里面加上接地檢測電路,并且更加激進,軟件上判斷接地檢測失敗就停止充電。我也同意他這樣折騰。結果呢?生產在途和庫存品都升級,在客戶現場升級,通過升級程序把接地檢測功能屏蔽掉。因為這是他第一次做產品,公司為他交了一筆學費,希望以比較大的代價來治愈研發兄弟們“虛妄的完美主義”。據說人類的99%都是這樣,普遍是“不知道自己不知道”,但是要展現出“虛妄的完美主義”。
到底是哪個標準有這么大的魔力?
在《GB/T 18487.1-2015,電動汽車傳導充電系統 第1部分:通用要求》 中,條文5.2.1.2 和接地檢測相關。如下截屏。可能就是這段條文帶來的影響力。
這里面的“保護接地導體連續性”的持續檢測,正確的理解是:充電樁系統作為I類電氣設備,內部的保護接地導體都應完好地連接在一起的,不能有“松動”。
標準體系有一個規律。有一個綱領性通用要求的標準,有一個產品標準,還有對通用標準和產品標準的檢驗規范、測試規范之類的標準。通用標準和產品標準是"法",相應的檢測標準是“人大釋法”。 在“人大釋法”類標準、《GB/T34657-2017,電動汽車傳導充電互操作性測試規范》中,條文6.4.4.4 沒有說明如何“模擬保護接地導體電氣聯系性丟失”,如下截屏。直流充電樁行業的通常做法是檢測CC1的電平是否等于4V,在充電過程中判斷CC1不等于4V就認為是接地檢測。
在《GB/T 18487.1-2015,電動汽車傳導充電系統 第1部分:通用要求》附錄B的條文B.3.5里面,還有這么一句,“在充電過程中,車端應能檢測PE針斷線。” 因為有這么一句話,所以,很多伙計認為,檢測CC1是否為4V只是為了對這句話進行檢測,并不是對保護導體連續性的持續監測; 保護導體連續性的持續監測是靠大家“執念”中的接地檢測電路。
基于18487.1的產品標準《NBT 33001-2018 ,電動汽車非車載傳導式充電機技術條件》中,對18487.1的5.2.1.2和B.3.5的回應是7.5.4條文:
對應NB/T 33001-2018的“人大釋法”類檢測標準,《NB/T 33008.1-2018 電動汽車充電設備檢驗試驗規范 第1部分:非車載充電機》,逐條說明了如何對7.5.4條文進行檢測。
上面這段條文的關鍵點是:如果整個充電設備的內部可能采用了多點接地,這些接地點之間的電阻要控制在0.1歐。 基于頂層標準的產品標準里,沒有體現如何對“保護導體接地連續性的持續監測”。我認為,標準的起草者已經給了答案。 充電樁是否良好接地,是充電站的標準應該明確的,不是充電樁標準能要求的。但是,如果標準的起草者清晰地知道有那么一種完美的接地檢測電路可以滿足各種電網接地型式的接地檢測,確是應該將充電樁是否接地的判斷放到充電樁的標準里面。
在國網電動車公司《關于充電站接地工藝質量要求的通知》對接地和接線有明確規定,如下。更接地氣。
充電站全站接地網的接地電阻不大于 4Ω,設備、設施外殼與接地網引出線的測量電阻不大于 1Ω。充電站的
交流零線(N 線),只允許在箱式變壓器低壓側接地。充電站的箱變、充電機柜、充電樁、防雨棚構架、金屬護欄均應分別與接地網可靠連接,禁止串接。
在《GB 50966-2014,電動汽車充電站設計規范》的第6.2.2條提到,“低壓接地系統宜采用TN-S系統”,但沒明確接地電阻。
兩種接地檢測電路
我那位對接地檢測有執念的兄弟昨天給我講解了他研究和實踐過的兩種接地檢測電路。他同意這個結論:這兩種電路都不能適用于TT和IT接地型式。
在我發布《充電樁的地線可以不接嗎?》文章后,有讀者留言,希望介紹接地檢測電路。謹此介紹這兩種接地檢測電路,歡迎指正。
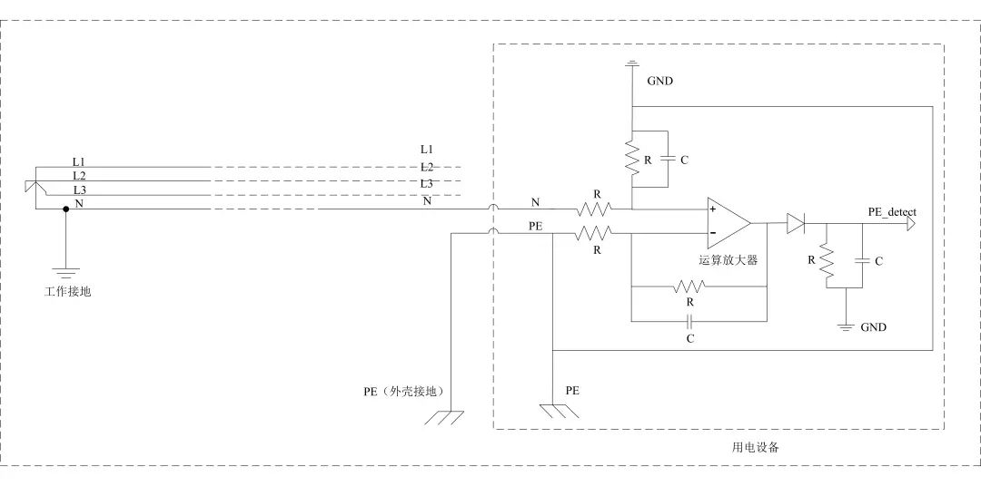
為便于講述,我們以簡化的等效電路形式呈現,特別將接地檢測電路和兩種接地型式的低壓電網連接在一起了。
接地檢測電路方案一
方案一通過檢測N與PE之間的電壓值來判斷PE端是否接大地。基于TN-C-S接地型式,PEN線分為PE線和N線,如用電設備接地良好,理論上來說,PE和N之間的壓差為0V,通過差分運放來檢測PE和N之間的壓差,如圖一所示。工程實踐上,檢測到N與PE之間壓差大于36V,判斷為沒有接地。實際上,從PEN分成PE和N的受電點到用電設備之間,N和PE線上將帶來很多干擾,分別通過傳導和輻射兩種方式產生。通常情況下,在差分放大器的輸入端的信號是很微弱的、mV級的,但是,這種小信號通過差分放大后,產生的工程問題很多。
方案一在TN-C-S中能不能有效工作,在這個原理的工程實踐電路的細節上有很多待研究和量產跟蹤的問題點。在這方面,我是悲觀的。不過,該電路還可判斷出L、N是否反接。在輸入欠壓下,該電路也可正常工作。
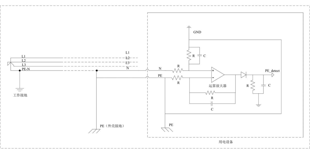
如果電網是TT接地型式,如圖二所示,TT的PE和N是沒有連通的,N和PE之間的壓差通常是110V; 按照上述判斷邏輯,使用這種檢測電路的結果顯然是”沒有接地”。 IT系統的PE和N也是是連通的,所以,和TT一樣,該電路不適用。
如果電網是TN-C系統,PE和N一直是連接在一起的,這種檢測電路應是有效的。在TN-S系統中,PE和N在遠端變壓器的工作接地點連接在一起。該電路是否能有效工作? 我覺得這和PE、N的線長及在變壓器側到用電設備之間的干擾有關。
▲圖一 基于TN-C-S的接地檢測電路方案一
▲圖二 基于TT的接地檢測電路方案一
接地檢測電路方案二
方案二通過整流后的直流電壓和PE之間是否構成回路來獲得比較器輸入端口不同的電壓值,比較器另外一端的比較基準電壓設計到合適的大小,從而通過比較器的輸出高低電平來判斷PE連接還是斷開。
如圖三,基于TN-C-S,L和N經過橋堆整流后是大家熟知的“饅頭波”,經過大電容濾波后,和比較器負端輸入的電阻及連接PE的電阻構成檢測回路。
坦率地說,我對這個電路看得頭大。我那位對接地檢測有“執念”的兄弟對我說:
沒有PE,DC+和GND之間無法構成了回路,獲得一種負端的電壓值; PE連接后,PE和GND連接在一起,DC+和PE及GND一起構成回路,獲得另外一種負端的電壓值。
若PE斷開連接,比較器輸出低電平,產生告警。若PE正常連接,比較器輸出高電平。當輸入電壓大于欠壓點,如90Vac,對應整流后電壓為127.26V時,才判斷PE是否可靠接地; 輸入電壓低于90Vac,則不能判斷PE是否可靠接地。
如圖四,基于TT系統,該電路同樣無法實現接地連通性檢測。

▲圖三 基于TN-C-S的接地檢測電路方案二

▲圖四 基于TN-C-S的接地檢測電路方案二
本文權當拋磚引玉。歡迎各位讀者多多指點,提供你寶藏的接地檢測電路。



